
中山(臺商獨資)巨光智能門控有限公司建廠20余年,憑借優良的產品質量,產品遠銷海內外,日益成長為門機生產行業的領軍企業。
交流卷簾門電機是該公司的傳統優質產品,就交流電動機的制動(剎車)情況,我們一起來分析。
大家都知道交流電動機運轉時,突然斷開電源,由于慣性還要繼續運轉,而不能立即停止。但巨光交流卷簾門電機,斷電后必須立即停止,否則會危人員及設備的安全。這就要求我們對卷簾門電機采取制動措施。制動措施,一般采用電氣制動與機械自動兩種。巨光交流卷簾門電機。采用的是機械制動措施。
機械自動:是利用機械裝置使電動機斷開電源后,迅速停轉的一種方式叫做機械制動。機械制動常用的方式有,電磁抱閘(碟剎)和電磁離合器制動。電磁抱閘(碟剎)制動,主要是利用外加的機械作用力,使電動機轉子迅速停止旋轉的一種方式。由于這個外加的機械作用力,常采用制動閘緊緊抱(壓)住與電動機同軸的剎車片來產生,所以機械制動往往俗稱為抱閘(碟剎)制動。
巨光卷簾門電機抱閘(碟剎)制動器包括:整流板、彈簧、電磁鐵芯、電磁線圈、活動支架、鏈盤及與電動機裝在同一根軸上的剎車盤。制動的強度可通過調整彈簧壓力及剎車盤與鐵芯的間隙來改變。
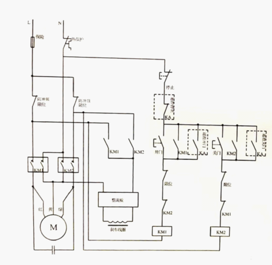
制動控制原理圖
工作原理:當按住手動按鍵開關的開門鍵時,交流接觸器KM線圈得電吸合工作。直流電磁線圈得電,磁鐵動作,使制動離合鏈盤松開脫離,卷簾門電機正常工作運轉。當按下手動停止鍵時,交流接觸器線圈失電,此時不管是卷簾門電機在處于開門或者關門狀態,制動離合鏈盤合攏(剎車)緊緊壓住制動,卷簾門電機停止工作。
電磁抱閘(碟剎)制動的優缺點:
優點:電磁抱閘(碟剎)制動力強,安全可靠。不會因為突然斷電而發生故障。
缺點:剎車盤易磨損嚴重,剎車制動時會產生震動(噪音大)。
關于巨光卷簾門電機制動方面的問題,我們就分析到這里。主要是為了讓大家更了解巨光卷簾門電機制動工作原理及它的優缺點。

